上海疆能电气有限公司是集科研、制造、营销于一体的高科技新型化产业公司。公司从创办起始,就以产品的设计为主导,主要研发、生产35kV及以下:永磁真空断路器、看门狗分界开关、智能真空断路器、负荷开关、隔离开关等;产品广泛应用于各等级电网、风能发电厂、太阳能发电厂、核电、水电等领域...
了解详情巨控电气有限公司建立完善的市场营销体系,实施“品牌营销和网络营销”相结全的发展战略,产品畅销全国各地,深受广在客服的信赖和支持,并为众多重点项目所选用。...
了解详情巨控电气有限公司自成立以来,始终本着“科技领先、质量至上、持续改进、顾客至上”的质量方针,诚信经营。用户使用我厂产品出现质量问题,在接到客户反馈24小时之内给予答复,服务人员将在48小时内解决问题,本销售部负责包退、包换,直至客户满意...
了解详情产品概述 General
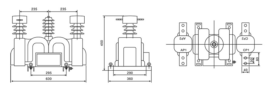
JLSZV-10型三相三线制干式计量箱(户外树脂浇注式)是正在同类产品的基础上改进而成,适用于额定频率50Hz,额定电压10KV、6KV的户外电力系统中做电能计量,是老式油浸产品理想的替代产品。
本系列产品由电压电流组合互感器和计量仪表箱两部分组成,互感器内装有两只独立的电压和电流互感器分装于A相、C相,组合互感器外侧壁装有功、无功电度表,脑袋人实验用的联合连接盒,运行时用表箱罩住以防窃电。
JLSG-10型产品的内芯采用环氧树脂浇注,外壳采用钢桶,以避免阳光紫外线对环氧树脂浇注体的直射造成损伤。
型号含义Type description

联系电话
13868889777
地址:上海市浦东新区万祥镇宏祥北路83弄1-42号20幢118室
手机:13868889777
网址:Http://www.jiangneng.co