上海疆能电气有限公司是集科研、制造、营销于一体的高科技新型化产业公司。公司从创办起始,就以产品的设计为主导,主要研发、生产35kV及以下:永磁真空断路器、看门狗分界开关、智能真空断路器、负荷开关、隔离开关等;产品广泛应用于各等级电网、风能发电厂、太阳能发电厂、核电、水电等领域...
了解详情巨控电气有限公司建立完善的市场营销体系,实施“品牌营销和网络营销”相结全的发展战略,产品畅销全国各地,深受广在客服的信赖和支持,并为众多重点项目所选用。...
了解详情巨控电气有限公司自成立以来,始终本着“科技领先、质量至上、持续改进、顾客至上”的质量方针,诚信经营。用户使用我厂产品出现质量问题,在接到客户反馈24小时之内给予答复,服务人员将在48小时内解决问题,本销售部负责包退、包换,直至客户满意...
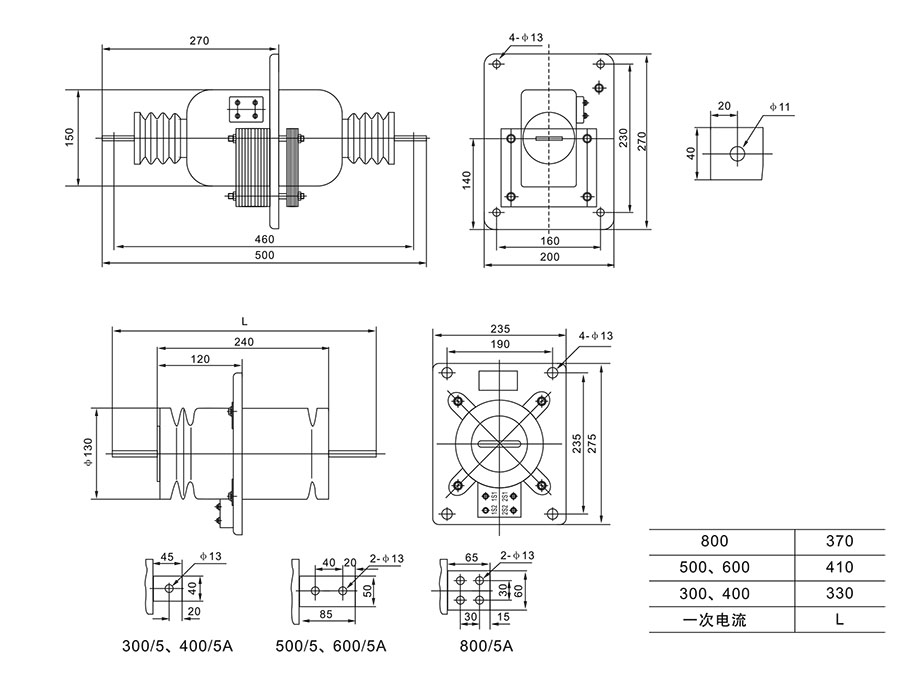
了解详情LAJ-10Q型电流互感器是用环氧树脂浇注的全封闭式电流互感器,供户内额定频率50Hz,额定电压10KV及以下的电力系统中作电流、电能的测量和继电保护用。

联系电话
13868889777
地址:上海市浦东新区万祥镇宏祥北路83弄1-42号20幢118室
手机:13868889777
网址:Http://www.jiangneng.co