疆能电气有限公司

户内高压隔离开关

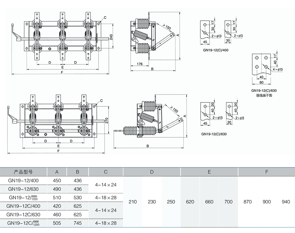
GN19-12型户内高压隔离开关

GN19-12型户内高压隔离开关 GN19-12型户内高压隔离开关 GN19-12型户内高压隔离开关

GN19-12型户内高压隔离开关

品牌:疆能电气
类别:户内高压隔离开关

立即咨询立即咨询
热线电话 400-600-2722
概述
   GN19-12型户内高压隔离开关系高压开关设备,用于额定电压12KV,交流50Hz及以下电力系统中,配用CS6-1型人力操作机构,作为在有电压而无负载的情况下,分,合电路之用,亦有派生产品防污型,高原型的和加装带电显示装置等。
本系隔离开关配用CS6-1型人力操作机构(带面板的隔离开关为自带连体操作机构)。
本系列隔离开关为三极型,由底架、转轴、及杠杆、瓷支柱绝缘子、闸刀及接线板等部分组成。转轴安置在底架上,其上焊有三对杠杆,杠杆通过拉杆瓷绝缘子与闸刀项链。转轴伸出底架,其任何一段均可与操作机构相连。
C型为穿墙式。其中C1表示转动在穿墙侧;C2表示开断在穿墙侧;C3表示两侧均在穿墙侧。

使用环境
1、海拔不超过1000m;
2、周围空气温度:-25℃~+40℃;
3、周围环境相对湿度:日平均值不大于95%月平均值不大于90%;
4、地震裂度不超过8度;
5、安装场所:没有火灾,易燃,易爆,严重污秽,化学腐蚀及剧烈振动场所。

联系电话

13868889777

地址:上海市浦东新区万祥镇宏祥北路83弄1-42号20幢118室

手机:13868889777

网址:Http://www.jiangneng.co

COPYRIGHT © 2021 上海疆能电气有限公司 VS1 ZW32 ZW20 FZN25 KYN28 HXGN15 ALL RIGHTS RESERVED 版权所有 浙ICP备12005340号-1 houtai