疆能电气有限公司

户外高压真空断路器

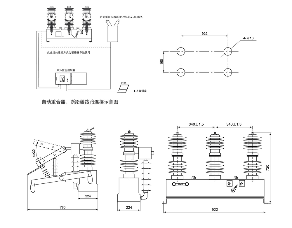
(JKW)ZW32-12/M户外永磁式高压交流真空断路器

(JKW)ZW32-12/M户外永磁式高压交流真空断路器

(JKW)ZW32-12/M户外永磁式高压交流真空断路器

品牌:疆能电气
类别:户外高压真空断路器

立即咨询立即咨询
热线电话 400-600-2722
适用范围
ZW32M-12型户外永磁式高压交流真空断路器采用真空灭弧原理、永磁操动机构,集成微处理技术、现代网络通讯技术和新型开关制造材料于一体。额定电压为12kV,50Hz三相交流的户外配电设备。该产品广泛适用于城市电网中作为分断或联络开关,或用于农网配电系统户外变电站出线开关,可有效完成传统的重合器的工作,分、合负荷电流和短路电流。

使用环境条件
1.周围空气温度:-40℃~+55℃,日温差:日变化25K;
2.海拔:不超过2000m;3.风速:不超过35m/s;
4.污秽等级:Ⅳ;
5.安装场所:无易燃、爆炸危险、化学腐蚀的场所;
6.地震强度不超过8度;
主要特点
真空断路器采用永磁操动机构,与真空灭弧室形成最良好的配合,合分动作稳定可靠,使用寿命长;同时采用新型复合固体绝缘结构,将真空灭弧室、主导电回路、绝缘支撑等有机地组合成为一个集成固封极柱,彻底解决了真空灭弧室小型化与满足外绝缘要求的矛盾,整个产品设计先进合理、结构紧凑,箱体完全密封,内部无凝露,机件无锈蚀,开关可靠性大大提高。
真空断路器应用了多项专利技术,使它具有很多优点:无SF6气体、无油,受环境影响小、有利于环境保护;单元尺寸小、重量轻、便于柱上安装;智能控制单元紧凑可以简单地安装在柱子下方,也可以选配无线遥控器,在30m范围内控制开关的分合;方便于城乡电网就地操作和远方控制。

联系电话

13868889777

地址:上海市浦东新区万祥镇宏祥北路83弄1-42号20幢118室

手机:13868889777

网址:Http://www.jiangneng.co

COPYRIGHT © 2021 上海疆能电气有限公司 VS1 ZW32 ZW20 FZN25 KYN28 HXGN15 ALL RIGHTS RESERVED 版权所有 浙ICP备12005340号-1 houtai